Wow, that was quick - great result ![]()
John has given his approval, so here is his reply from yesterday:
Hi Jim,
I worked on this system design for Ming about 15 years ago. There were two versions - one using Goto woofers and one using Altec woofers. I’m assuming you have the Altec version using reproduction 416-8B woofers from Great Plains Audio based on your comment. The crossover designs for the high frequency drivers were the same between each system but the designs for the woofers was different.
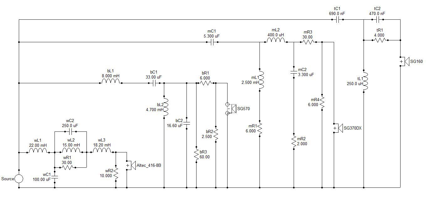
I did some crossover updates for Ming in 2013, but I never heard those changes myself. I was just working off simulation data. I attached two different crossover designs for the Altec woofers. The hand drawn one labeled v9 is the older one. I also attached a newer computer generated one. This one has modifications that would probably help the tonal balance issues you mention. There’s a schematic and a spreadsheet attached containing all the parts I used for the new design. Some of the inductors in both cases were made from multiple inductors in series due to off the shelf parts availability. The series resistance of the inductors is included in the design, so going to lower DCR inductors will not necessarily be an improvement. Also note the reversed polarity connection on the SG570 relative to all the other drivers. There are L-pads on the SG570 and SG370DX. I did some simulations involving changing the values of some of the L-pad resistors and other components in the newer design to try to address some of the brightness issues. You could increase mR3 beyond the 30 ohm value if you wanted more attenuation around 3kHz. For example if you increased 30 ohms to 60 ohms, you would cut about 5dB out between 2-4kHz (that would be a fairly significant change). You could obviously go in between those values for more or less attenuation. You could also shelve down the high frequencies more generally. For example you could change mR3 to 40 ohms and tC1 to 550nF to get about a 2dB attenuation at all frequencies above ~1.5kHz. You could also increase bL1 slightly to 8.5mH to get ~1dB attenuation above 250Hz on the SG570 to blend into the 2 higher frequency drivers if you attenuate them. Just giving some examples of things you could try.
My approach these days would be to measure and listen to the system in the room I was going to use it in and adjust things from there. All rooms will be a bit different in terms of the in room response a set of speakers produces based on factors like room size and reverberation time vs frequency. I usually make systems with digital crossovers these days so adjusting the response is quite easy while listening, but even putting a lower quality / cost DSP box like a miniDSP 2x4 in front of your amps and playing around with some broad filters to get the tonal balance adjustment you want before making changes in a passive crossover is very useful. The issue with the passive crossovers is even in the circuits with L-pads, you can change the response of the driver while you’re changing the level and change how the drivers interact with each other through the crossover. This makes adjustments a bit trickier.
I received a further email from John this morning:
Here’s some more data I dug up for fun. Here’s the anechoic response of the system with the newer crossover I sent you with individual driver responses so you can see the crossover points and the response of the drivers with no crossovers. So as you can see the two midrange drivers have tons of sensitivity. The low end of the woofers and the high end of the tweeter are lacking in sensitivity which is very typical. My personal system is the same way but I use DSP and multi amp it. So then the question for a system with a passive crossover becomes how much you want to reduce the sensitivity of the system in the quest to get extended response. If you want to keep more sensitivity to work better with low power tube amps you can end up with a very midrange heavy system. This is the approach the Goto factory suggested crossover designs take. How big your room is, how much room gain you get and how the system and listening position are placed and interacting with the room modes also plays a big roll here on the low end. On the high end it’s more reverb time of the room and room volume and listening distance (more reverb will tend to boost the level of the highs in room, although this is a pretty high DI system so that won’t have as big of an effect as it might on other systems). There were also some challenges around the crossover between the upper mid and tweeter as neither of those drivers had smooth response in that region. As I said I designed this a very long time ago. These days I would probably pull down the level around 3kHz to make it a bit more laid back sounding and then adjust the overall balance from there on a room by room basis. It also depends on how loud you like to listen. In a system without dynamic level-calibrated loudness compensation, the listening level will effect the perceived tonal balance of the system (lower level listening will sound like it has less bass).
Looking forward to how you find these.
The ultimate faff?
Thing is Tristan, I bought the Gotos in good faith because they sounded absolutely sublime in the warehouse sized room at Definitive.
Perhaps if I had more technical knowledge, I might have had a greater inkling of what was about to ensue, but I didn’t.
Having said that though, I think I’ve made decent headway over the last 18 months. They sound hugely better now than when Kevin first set them up in my room. ![]()
Making the changes to the xovers that John Sherrin suggests might be a possibility in the future, but the electronics work required is well beyond my capabilities. Maybe ditching the passive xovers and going fully digital is a possibility.
One thing’s for sure - there’s so much potential with these horns, I’ll defo be continuing the Goto journey ![]()
Having read all the literature and followed the circuit diagrams I am absolutely sure you are on the right track
![]()
That’s really interesting.
Cool to get all the circuits etc and advice from the designer as to what to change to effect attenuation.
It is a bit of faff to achieve some attenuation, measuring to see and then listening to confirm - iterations.
Amen to multi amping and DSP.
Still a lot to learn but so flexible.
Maybe, but most of the multi amp/DSP horn systems I’ve heard have used a Najda. They are no longer available, so what are the alternatives?
https://www.ricardo.ch/de/a/8-kanal-hifi-najda-dsp-vorstufe-aktiv-weiche-1170321372/
(NB, I’m not 100% this is the right thing)
Precious few and what’s the point? all the hard work has been done and the crossovers are there, a few resistor changes now you have the circuit diagrams is child’s play (assuming you can get in to the boxes).
DSP isn’t magic, it takes hours of work, many many iterations, and quite a lot of experience with it to get anywhere, fine if you can do it yourself, otherwise pointless.
"DSP isn’t magic, it takes hours of work, many many iterations, and quite a lot of experience with it to get anywhere, fine if you can do it yourself, otherwise pointless."
John Sherrin agrees with you Edd. I asked him in a further email yesterday to recommend a DSP system. This was his response:
Hi Jim,
I don’t have anything I can recommend from experience as an easy solution. I run a miniDSP system I built from a kit that uses their miniSharc boards. I’m pretty sure those are no longer available, and it does have some issues. I’m working on transitioning to a system running off a computer and a multi channel soundcard. I’m planning to use a program called Camilla DSP and an Antelope Orion sound card, but this is quite an involved system to setup. Also, the real challenge with a DSP system is coming up with the filters to use. You’re basically redesigning the system. I don’t know what your level of speaker design skill is, but trying to implement a DSP crossover is definitely jumping in the deep end. If you don’t have much experience with this, I’d definitely suggest playing around with it first on some cheap speakers. As I recall the Goto compression drivers can be somewhat delicate so messing up the filters or channel assignments and then taking a measurement or playing some music could be a bad day. Horn drivers in general are also some of the hardest systems to create filters for as the drivers generally do not have flat response to start with.
I do ![]()
![]()
![]()
![]()
That is the right thing, but a bit overpriced.
Jim mate, may I politely suggest quitting while you’re ahead: find someone to put the [edit: cunting transfomers] into nice boxes for you, with some decent connectors, mebbe a switch for the different taps, and some half-decent wiring = job done.
The only sensible way to rebuild the crossovers is to do it in-situ in your house, which doesn’t just risk unsettling the balance of the crossovers, but also possibly damaging the cabinets (and people’s spines shifting the fuckers around), it could mean weeks or even months of no system, the possibility of eyewateringly expensive drivers being damaged, you don’t have the skills by a cuntry mile, and those that do, value their time and sanity too much.
Sounds like you’re 99% there now: Listen to music, enjoy ![]()
I’m assuming you mean the Slagle autoformers?
sigh…
Agree with the whole DSP thing, it’s great for 2 or 3 way speakers where the room has major mode issues but is a nightmare otherwise.
IMHO the plug’n’play DSP solutions from Dirac or MiniDSP etc take more out of the music than they do correcting room issues. I’ve never heard a solution I could live with.
The Lyngdorf room perfect came very close but the amp let the side down, the standalone RP-1 from them may be an option for you to try although I suspect it will still take out more than it gives you.
You are confusing dsp for crossover use and room correction use. In this case its 4 way crossovers we would be looking at. No such thing as a plug and play for that.
I think the new mini-DSP flex processor would be up to the job and might actually sonically be as good as the Nadja but with superior FR adjustment flexibility. I couldn’t live with the earlier Mini-DSP but the flex range coupled with Hypex amps I was extremely happy using. Whilst not exactly plug and play a mini-dsp 8 channel flex is very easy to set up adjust even on the fly - If I can do it so can Jim. If the current crossover is in a remote box It might be worth the faff. I am mid selling house and happy to loan out my flex 8




